Sonsor crankshaft position ckp. Sebenarnya anda bisa menyetel ulang ecm atau mengganti ecm dengan modul baru yang lebih cocok untuk mesin hasil modifikasi namun sekali lagi biaya yang dikeluarkan jauh lebih mahal.

Kenali Engine Control Module Ecm Dan Fungsinya
Ecmecu ini mempunyai kode pengunci yang masing masing pabrikan motor mempunyai kode pengunci yang berbeda jadinya pemilik ataupun montir di bengkel resmipun tidak bisa setting ecmecu.
Ecm motor adalah. Ecu electronik control unit dan biasa disebut ecm engine control module adalah komponen elektronik yang terpadat pada kendaraan dengan sistem pengkabutan injeksi jadi ecu juga terdapat pada mobil dan sepeda motor dan kendaraan lainnya. Untuk langkah pemeriksaan jika mil indakator honda anda berkedip 33 maka lakukan penghapusan dtc reset ecm apabila masih terdapat kedipan mil 33 di sini kita harus punya ecm cadangan untuk percobaan atau jika ada motor lain yang sama jenisnya pinjam saja dahulu ecm nya. Namun masih banyak orang yang belum memahami apa sebetulnya teknologi injeksi itu dan apa fungsi dari ecu engine control unit pada motor sistem injeksi.
Semua kendaraan baik itu mobil maupun sepeda motor memiliki mesin injeksi pasti menggunakan engine control module ecm. Ecm sendiri bisa otomotis mengkontrol besaran bahan bakar dan juga udara yang dibutuhkan saat motor digunakan atau pada kondisi cuaca tertentu. Peran dari engine control module adalah sebagai pusat kontrol seperti peran cpu pada komputer.
Ecm merupakan sistem komputer yang terintegrasi dengan komponen komponen lain pada mobil sehingga proses pembakaran bisa dilakukan secara otomatis. Ecm merupakan otak sebuah mobil dimana ecm mengatur kinerja mesin mobil dan menjadi pelindung mesin jika terdapat gangguan. Kesulitan yang dialami itu adalah untuk melakukan setting komputer pada motor injeksi pada bagian ecu electronic control unit ecm engine control module.
Sensor ckp ini mendeteksi keberadaan poros engkol di mana sensor selalu mengirimkan sinyal ke ecm dan karenanya ecm menentukan kapan harus hidup dan kapan bahan bakar disuntikkan melalui injektor. Untuk informasi lebih lanjut kenali engine control module ecm dan fungsinya. Dan yang kelemahan dari motor dengan sistem injeksi adalah sangat sensitive terhadap perangkat kelistrikan.
Sensitif terhadap perangkat kelistrikan. Ecm atau engine control module adalah rangkaian untuk mengontrol kinerja mesin mobil secara keseluruhan. Ecm atau kepanjangan dari electronic control module memiliki beberapa settingan dan juga kontrol yang sudah memiliki standard dari pabriknya.
Ecu motor injeksi atau bisa juga disebut dengan ecm telah dikembangkan sejak tahun 2009 yang lalu teknologi sistem injeksi sudah menjadi perhatian dalam dunia otomotif khususnya diaplikasikan untuk sepeda motor. Namun jika pada sistem ecm ini mengalami kerusakan maka hal tersebut akan menyebabkan motor mati total. Malam dulur kum3ncom pada kesempatan kali ini kita akan menulis catatan ciri ciri jika ecm motor honda injeksi anda rusak.

Kenali Engine Control Module Ecm Dan Fungsinya

Biar Enggak Salah Kaprah Begini Fungsi Ecu Di Sepeda Motor Injeksi Semua Halaman Gridoto Com

Penyebab Dan Ciri Ciri Ecu Atau Ecm Rusak
:strip_icc():format(jpeg)/kly-media-production/medias/944276/original/052416300_1438588580-2W_STRG_HR_0000_neu_734x250_w734.jpg)
Mengenal Cara Kerja Ecu Di Sepeda Motor Otomotif Liputan6 Com

Ciri Dan Cara Memeriksa Ecm Honda Injeksi Mengalami Kerusakan Kum3n Com

Kenali Engine Control Module Ecm Dan Fungsinya
Fungsi Ecu Pada Kendaraan Injeksi Teknik Otomotif Com

Sistem Kerja Dan Komponen Pgmfi Motor Honda Teknik Informasi Sepeda Motor

Beberapa Perbedaan Mesin Honda Cb150 Verza Dan Honda Verza Lawas Zona Motor Dot Net
Fungsi Ecu Pada Kendaraan Injeksi Teknik Otomotif Com

Biker Wajib Tahu Begini Cara Kerja Sistem Injeksi Di Motor Zaman Now Gridoto Com

Bolo Motor Warna Kabel Ecm Ecu Vario 150 K59f

Fungsi Dan Perbandingan Dari Cdi Dengan Ecu

Alarm Motorku Com Tips Mengatasi Motor Injeksi Yang Mogok

Penyebab Ecm Atau Ecu Jeb0l Rusak Di Motor Injeksi Youtube

Wajib Tahu Ini 9 Sensor Canggih Yang Ada Di Motor Produksi Massal Semua Halaman Hai

Cara Reset Ecm Ecu Sensor Tp Dan Setting Altitude Kum3n Com

Cara Reset Sensor Tp Ecm Honda Kum3n Com

Fungsi Dan Cara Kerja Komponen Injeksi Pada Sepeda Motor Klasotomotif Berbagi Dan Belajar Ilmu Otomotif

Pahami Fungsi Ecu Pada Mesin Injeksi Deltalube

Injeksi Komponen Contoh Dan Cara Kerja Pada Motor

Cara Mudah Reset Injeski Honda Beat Fi Bisa Dilakukan Sendiri

Biar Motor Segar Kembali Jangan Lupa Mereset Ecu Motor Secara Berkala Brother Motorplus

Seputar Otomotif Motor Injeksi Dengan Ecm

Honda Pgm Fi Ramah Lingkungan Irit Bahan Bakar Honda Cub Surabaya

Cara Kerja Ecu Motor Injeksi Yang Wajib Diketahui Otosae
![]()
Alat Diagnosis Sistem Injeksi Kini Dijual Bebas

Reset Ecu Ecm Tp Dan Seting Altitude Motor Honda Manual Idokeren Com
![]()
Mengenal Sistem Ecu Pada Kendaraan Bermesin Injeksi

Bolo Motor Warna Kabel Ecm Ecu Vario 150 K59f

Honda Antisipasi Konsumen Otak Atik Ecm Motor Injeksi Otosia Com

Injeksi Komponen Contoh Dan Cara Kerja Pada Motor

Pemeriksaan Kerusakan Mil Kedipan 8 Sensor Tp Kum3n Com

Honda Punya Mode Yang Jarang Diketahui Penggunanya Apakah Itu Otoinfo Id

Jual Soket Ecu Ecm Beat Esp Beat Pop Scoopy Esp Dll Kab Bekasi Mayasi Speed Shop Tokopedia
:strip_icc():format(jpeg)/kly-media-production/medias/943257/original/031609600_1438461444-1.jpg)
Wajib Tahu Ini Keunggulan Motor Injeksi Dibanding Karburator Otomotif Liputan6 Com

10 Cara Kerja Mesin Injeksi Kelebihan Kekuranganya

Jual Original Cdi Ecu Ecm Beat Fi Esp Ori Copotan Motor Kota Magelang Cahaya Rejeki Motor Tokopedia
Sepeda Motor Injeksi Adalah Salah Satu Astra Honda Care Facebook
![]()
4 Alat Diagnosis Penyakit Motor Injeksi Honda

Yj13 Ecm Motor Ec Motor Buy Ecm Motor Ec Motor Ecm Ec Motor Product On Alibaba Com

Cara Setting Altitude Setting Ketinggian Pada Sepeda Motor Johan Mekanik

Alat Bengkel Motor Dlc Short Connector Pusat Penjualan Alat Bengkel Motor Injeksi Www Alatbengkelmotor Com

Lampu Indikator Motor Injeksi Berkedip Apa Artinya

Cara Kerja Ecu Motor Injeksi Yang Wajib Diketahui Otosae
/photo/gridoto/2017/10/17/263992795.jpg)
Mengenal Fungsi Ecu Di Motor Injeksi Pasti Belum Banyak Yang Tahu Gridoto Com

Ecu Ecm Motor Injeksi Beat Fi Konslet Kursus Mekanik Motor

10 Sensor Pada Mesin Injeksi Yang Perlu Diketahui Otomaniac

Starnics Coretech Instagram Profile With Posts And Stories Picuki Com

Prinsip Kerja Engine Control Unit Ecu

Cara Mengecek Fungsi Kipas Radiator Honda New Cb150r Bisa Dilakukan Sendiri Sekedar Coretan

Hondaguinepart Instagram Posts Gramho Com

Punya Motor Injeksi Jangan Biarkan Hal Ini Terjadi Biar Tidak Bermasalah Tribunnews Com Mobile

Ecu Api Tech Otak Motor Injeksi

Selain Atasi Kode Error Ini Manfaat Reset Ecu Motor Secara Berkala Gridoto Com

Sistem Bahan Bakar Injeksi Pada Sepeda Motor Honda

Cara Setting Altitude Setting Ketinggian Pada Sepeda Motor Johan Mekanik

Jual Promo Scs Dlc Data Link Connector Alat Reset Ecu Ecm Injeksi Honda Kab Magelang I Collections Tokopedia

Tragedi Ecm Beat Fi Esp Terbakar Karena Konsleting Kum3n Com
Honda Smart Key Vario 150 Pptx
Harga Khusus Dlc Honda Alat Reset Ecu Atau Ecm Motor Dengan Volt Accu 83hs Shopee Indonesia
Fungsi Dan Tipe Throttle Position Sensor Tps Teknik Otomotif Com
Cara Mudah Meriset Ecu Dan Dtc Pada Motor Honda Komunitas Kreasi Otomotif

Vario 125 Ngempos Dan Ngegas Sendiri Ini Dia Solusinya
![]()
Doc Mode Operasi Ecu Widya Iwok Academia Edu
Ecu Ecm Beat Fi Beat Pop Ori Scoopy Esp Ecm Graciaz Shopee Indonesia

Fungsi Bank Angle Sensor Motor Langsung Non Aktif Saat Jatuh

Perhatian Jangan Asal Pasang Coil Di Motor Injeksi Honda Kum3n Com

Dlc Connector Alat Reset Ecu Motor Injeksi Pgm Fi Honda

Jual Original Besi Plat Cover Tutup Ecu Ecm Cdi Vario 125 Ori Copotan Motor Kota Magelang Cahaya Rejeki Motor Tokopedia

Fungsi Dan Perbandingan Dari Cdi Dengan Ecu

Ciri Dan Cara Memeriksa Ecm Honda Injeksi Mengalami Kerusakan Kum3n Com
/photo/gridoto/2018/07/05/2247551984.jpg)
Waduh Ternyata Hal Ini Paling Sering Membuat Ecu Rusak Gridoto Com

Hondakita Komponen Pgm Fi Dan Fungsinya

Di Mana Sensor Suhu Mesin Berada

Komponen Mesin Injeksi Dan Fungsi Lengkapnya

Diagram Sistem Pengapian Honda Beat Fi Esp Kum3n Com

Penyebab Dan Ciri Ciri Ecu Atau Ecm Rusak

Ciri Dan Cara Memeriksa Ecm Honda Injeksi Mengalami Kerusakan Kum3n Com

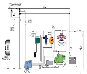
Sensor Ckp Crankshaft Position Sensor

Tentang Pgm Fi Injeksi Motor Honda Honda Nusantara Jaya Purwokerto

Sistem Acg Stater Membuat Stater Halus Motor Honda Kum3n Com

Keren Ternyata Begini Cara Kerja Sistem Injeksi Di Motor Motorplus Online Com

Membedah Teknologi Idling Stop System Iss Pada Motor Honda Kusnantokarasan Com
Murah Bgt Ecu Ecm Beat Fi 38770 K25 901 Original Honda Murah Shopee Indonesia

Jual Dlc Short Connector Alat Reset Setting Ecm Ecu Motor Injeksi Honda Di Lapak King Store Bukalapak

Fungsi Dan Cara Kerja Komponen Injeksi Pada Sepeda Motor Klasotomotif Berbagi Dan Belajar Ilmu Otomotif

Mengupas Teknologi Acg Starter Di Motor Honda
/data/photo/2014/08/19/1813099yamaha-safety780x390.jpg)
Ini Penjelasan Mesin Sepeda Motor Mati Saat Terjatuh
:strip_icc():format(jpeg)/kly-media-production/medias/943257/original/031609600_1438461444-1.jpg)
Wajib Tahu Ini Keunggulan Motor Injeksi Dibanding Karburator Otomotif Liputan6 Com

Jual Ecm Tester Original Coretech Alat Untuk Periksa Ecm Cdi Motor Honda Kab Bekasi Perkakas Tangan Tokopedia

Electronic Control Unit Ecu Adalah Fungsi Prinsip Kerja

Mengenal Fitur Acg Starter Alternating Current Generator Nusantara Sakti
![]()
Tahukah Anda Ada Lampu Pendeteksi Kerusakan Di Motor Injeksi
Https Smkpui Gegesik Sch Id Kat Upload Teknik 20bisnis 20sepeda 20motor 20 20sistem 20pgm 20fi 20 App Pdf

Jual Ecm Ecu Eng Control Unit Vario 150 Esp Kota Tangerang Top Star Motor Tokopedia

Jual Crf 150l 150 L Honda Ori Ecu Pgm Ecm Cdi Ign Comp Di Lapak H Motor Bukalapak

Cara Setting Motor Injeksi Menggunakan Smartphone Android Dan Pc
